В корзину
Арматура ВЛ
406
Защитная арматура
66 товаров
Контактная арматура
123 товара
Натяжная арматура
50 товаров
Поддерживающая арматура
24 товара
Соединительная арматура
58 товаров
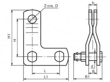
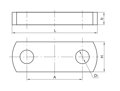
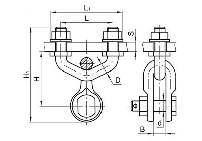
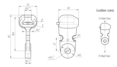
Сцепная арматура
85 товаров






